Pneumatic V Port Ball Valve, ASTM A351 CF8, DN150, PN16, RF

(API 624 Additional High Temperature Version)
Key Specifications / Features
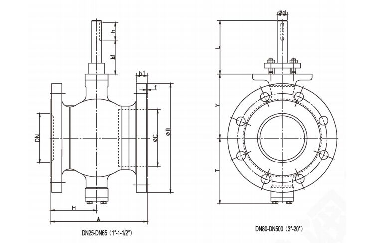
The Pneumatic V Port Ball Valve Plant produces high-quality valves designed for precise flow control and reliable operation. These valves are made from ASTM A351 CF8 cast carbon steel, ensuring durability and corrosion resistance. They are available in a DN150 (6 inch) size, with pressure ratings of PN16 and Class 150 LB. The valves feature RF flanged ends for easy installation and maintenance. Equipped with a pneumatic actuator, these valves offer quick and efficient operation, making them suitable for a variety of industrial applications.
- Model No.: MV-20250701-LTMSBV-01
- Hits: 16
- Categories: Low Torque Metal Seated Ball Valve
- Tags: V Port Ball Valve, ASTM A351 CF8 Ball Valve, Pneumatic Actuated Ball Valve
Detail Information
Product Name: Pneumatic V Port Ball Valve
Body Material: ASTM A351 CF8, Cast Carbon Steel
Size: DN150, 6 Inch
Pressure: PN16, Class 150 LB
Operation: Pneumatic Actuator
End Connection: RF Flanged
Face to Face Standard: ASME B16.10
Test & Inspection Standard: API 598
Certificates: TA-Luft, ISO 15848-1, API 622, ect
Product Range
Body Materials: Stainless Steel ASTM A351 CF3, CF3M, CF8, CF8M, etc
Gasket & Packing Material: Graphite, PTFE
Size Range: 1/2-20 Inch, DN15-DN500
Pressure Range: PN16-PN64, Class 150-400 LB
End Connection: Flanged (RF, RTJ)
Medium: Water, Oil, Gas, Acids, ect

The pneumatic V-type regulating ball valve is a V-type regulating ball valve driven by a pneumatic actuator, used to achieve automatic flow control and adjustment. It is a combination of the pneumatic actuator and the V-type ball valve, featuring rapid response, high stability, and strong reliability. The main features of the pneumatic V-type regulating ball valve are as follows:
1. V-type core design: The valve uses a V-type ball and V-type seat design, creating a V-shaped notch at the contact point between the ball and the seat, achieving a linear flow characteristic. This allows for more precise and controllable changes in flow during adjustment.
2. Rapid response: The pneumatic actuator can quickly respond to signals, operating the valve's opening and closing via air or gas to achieve rapid flow control response.
3. Good stability: The pneumatic V-type regulating ball valve has good stability during operation, capable of maintaining stable flow under different pressure and temperature conditions.
4. Large passage capability: Due to the special design of the V-type ball, the pneumatic V-type regulating ball valve typically has a large passage capability, suitable for applications with high flow rates.
5. High adjustment accuracy: The pneumatic actuator can achieve high-precision flow adjustment and control through precise adjustment control signals, meeting the requirements for precise processes.

Similar Products

Pneumatic Actuated Ball Valve, A351 CF8, DN65, PN16, Flanged

Pneumatic Floating Ball Valve, A351 CF8, DN100, PN16, 4 Inch

Fluorine-lined Ball Valve, API 608, ASTM A216 WCB, DN300, RF
